현 전력 설비들은 부하요구에 의해 비선형 기기들이 증가하는 추세다.
이런 비선형기기의 증가는 고조파 발생을 증가시키게 되고
증가된 고조파는 계통 전원품질을 저하시키게 된다.
이의 개선 책으로 고조파 필터링이 필요한데?
아래와 같이 고조파 필터링에 필요한 수동형 고조파필터에 대해 살펴본다.
---- 아 래 ----




www.samwhaeng.kr/passive-harmonic-filter/
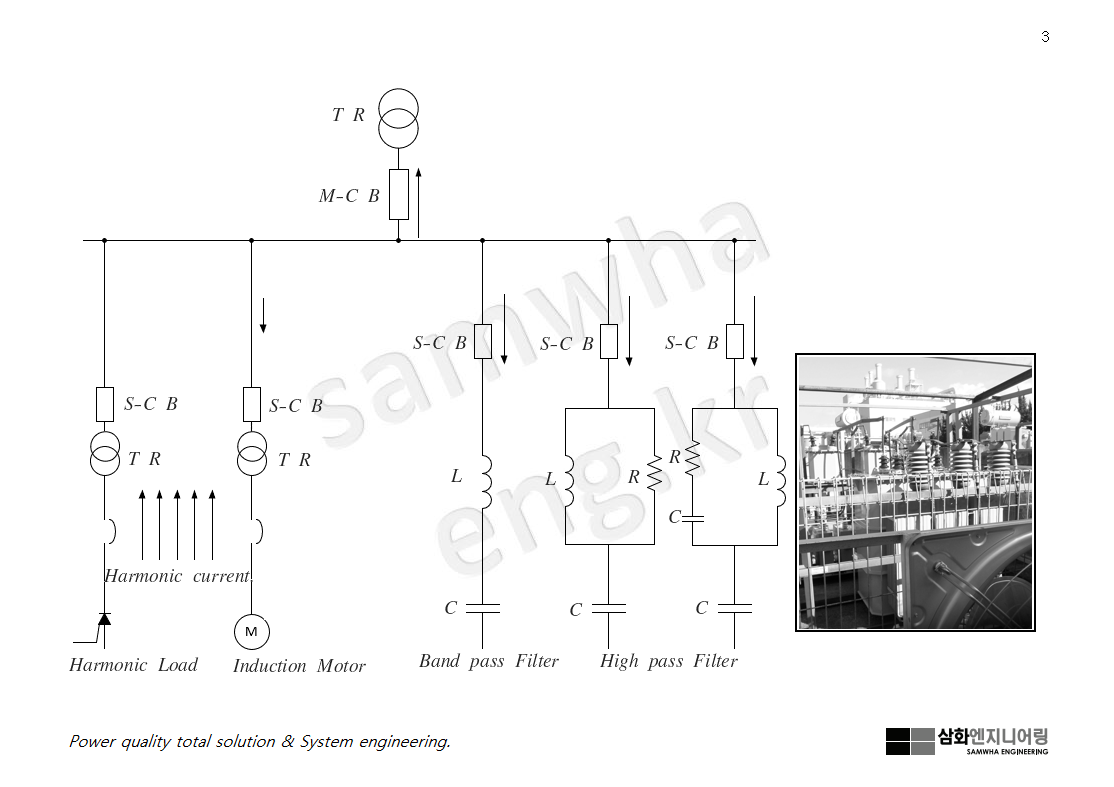
수동형 고조파 필터
파워일렉트로닉스의 지속적 기술 성장에 따라 부하는 인버터, 위상 제어장치, 정류기, UPS, DC컨버터 등,,,, 비선형 부하가 크게 증가돼 있는 현실이다. 이런 비선형 부하들은 고조파를 생성 계통
www.samwhaeng.kr
'전력용 콘덴서' 카테고리의 다른 글
| 동물침입에의한 1선지락사고 (0) | 2020.11.21 |
|---|---|
| 고압 건식 직렬리액터 현장 검수 (0) | 2020.11.20 |
| 역률 개선용 콘덴서 뱅크(Power Factor Improvement Capacitor Bank) (0) | 2020.11.08 |
| 방전코일 (Discharge Coil) (0) | 2020.11.05 |
| 직렬 리액터 (0) | 2020.11.02 |