1. 전력용 콘덴서. (Power Capacitor)
정상 상태에서 전력 계통 전원은 전압이 시간상으로 변하지 않는 직류전원과 시간에 대해 일정 주기성을 갖고 변화하는 정현파 교류 전원 두 가지로 구분할 수 있다.
특별한 경우를 제외하고 승압, 강압이 쉽고 차단이 용이한 교류 전원을 사용하게 되는데 이 교류 전원의 전송을 위해선 선로가 필요하고 선로는 R, L, C, G - 4가지 정수 영향을 받게 된다.
또한, 동력을 얻기 위해선 코일로 자계를 만들고 이를 다시 자기에너지로 변환시켜 기계적 동력으로 사용하게 되는 데 전력을 전송하거나 동력을 얻는 과정에선 불가피하게 무효전력(Reactive Power)이 발생하게 된다.
이렇게 발생한 무효전력은 제어가 필요하며 제어에 가장 경제적으로 최적화된 설비가 바로 전력용 콘덴서이다.
전력용 콘덴서를 선로에 병렬 접속하게 되면 이는 진상 무효전력 발생원이 돼 선로 및 부하에 진상 무효전력을 공급하게 된다.
이렇게 공급된 진상 무효전력은 부하 및 송 배전설비로부터 발생한 지상 무효전력을 상쇄 제거함으로써 역률 개선 역할을 수행하게 되는데 역률 개선에 필요한 설비가 바로 전력용 콘덴서로 아래와 같은 역할을 수행 전력 계통의 효율을 높여주게 된다.
---- 아 래 ----
1). 선로 및 변압기 손실을 줄여주므로 소비전력(kWh)을 저감 시킨다.
2). 무효전류 및 유도성 리액턴스를 감소시키므로 선로 전압강하를 개선한다.
3). 지상 무효전력을 감소시키므로 전압 변동률을 낮출 수 있다.
4). 한국전력공사 전기 공급 규정 제43조에 따른 역률 요금 혜택으로 전기 요금을 낮출 수 있다.
(전기 요금의 할인, 할증)
첨부 전기 공급 규정 제43조 잠고.
5). 지상 무효전력을 보상하므로 선로 전류가 줄게 돼 변압기 및 선로의 부하 부담을 낮춘다.
6). 변압기 및 선로의 부하 부담이 낮아지므로 설비 여력이 증가해 변압기 전선로 교체 없이 부하를 더 증설할 수
있게 된다.
7). 선로 전류 감소 및 유도성 리액턴스 보상은 부하 측 전압강하를 개선하게 돼 생산성이 향상된다.
열량 및 토크는 전압의 제곱에 비례한다.

8). 일정 부분 계통 고조파를 흡수하므로 필터 역할을 한다.

2. 저압, 고압 및 특별고압 진상용 콘덴서.
1). 고압 및 특별고압 진상용 NH 콘덴서 (High Voltage Power Capacitor)
- 고압 및 특별고압 회로에 전압조정 및 역률 개선을 목적으로 사용한다.
- 유전체로는 폴리프로필렌 필름(Polypropylene Film)을 전극으론 알루미늄 포일(Aluminum Foil)을 사용한 다.
- 동기조상기에 비해 가격이 저렴하고 손실도 적을 뿐더러 유지보수가 용이해 가장 많이 사용되고 있는 진상
무효전력 공급 장치이다.
- 일반적으로 개별 부하에 각각 설치해 사용하거나 모선에 집합시켜 뱅크 군을 형성해 사용하기도 한다.

2). 저압 진상용 SH 건식 콘덴서 (Low Voltage Power Capacitor / Dry type)
- 부하가 작은 중, 저압용 회로에 역률 개선 및 전압 보상을 목적으로 사용한다.
- 유전체로 폴리프로필렌 필름(Polypropylene Film)을 전극으론 Al(aluminum) or Zn(zinc)을 증착해 사용한 다.
- 이를 M F(Metalized Film)라하며 이는 스스로를 치유하는 S H(Self Healing) 기능을 갖추고 있어 수명연장 에
도움이 된다.
- 건식 콘덴서의 특징은?
①. 절연유 대신 건식 충진제를 사용하여 누유가 없고
②. 폐기물관리법에서 규제하는 환경 오염물질 배출이 없어 폐기물 처리비용이 발생하지 않는다.
3). 저압 진상용 SH 유입식 콘덴서 (Low Voltage Power Capacitor / Oil type)
- 부하가 큰 중, 저압용 회로에 역률 개선 및 전압 보상을 목적으로 사용한다.
- 유전체로 폴리프로필렌 필름(Polypropylene Film)을 전극으론 Al(aluminum) or Zn(zinc)을 증착해 사용한 다.
- 이를 M F(Metalized Film)라하며 이는 스스로를 치유하는 S H(Self Healing) 기능을 갖추고 있어 수명연장 에
도움이 된다.
- 절연유는 잔류성유기오염물질 관리법에서 규제하는 PCBs 불검출 절연유를 사용한다.
- 유입식은 주로 전류 유입 유출이 큰 부하에 사용되므로 온도상승 억제 효과가 우수해야 한다.
3. 특수용 콘덴서.
1). 퓨즈 내장형 고압 콘덴서.
여러 개로 집한된 소자(Element) 중 어느 하나 소자가 고장이 나면 내장 퓨즈를 용단 시켜 콘덴서로써의 기능 을
계속 발휘하도록 설계 제작된 콘덴서다.
이런 특성으로 인해 안전이 우선시 되는 산업 현장, 병원, 연구소 등의 전압보상 및 부하 역률 개선용으로 사용 을
추천한다.
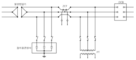
2). 접지용 콘덴서.
선로 길이가 짧을 경우 대지 정전용량이 작아 지락 계전기를 동작시키기에 충분한 영상 전류를 얻기 어렵게 된 다.
이를 보완 대지 정전용량을 키워 주기 위해 사용하는 것으로 선로에 병렬 투입 시 충분한 관통 지락전류를 얻을 수
있어 계전기 동작을 확실히 할 수 있다.
3). 서지(Surge) 흡수용 콘덴서
직격뢰 또는 내부에서 발생하는 개폐 서지 등으로부터 기기를 보호하기 위한 것으로 선로와 대지 간에 설치
뇌서지 파고치를 낮추기 위해 사용한다.
4). 유도로용 콘덴서
첫 번째는 저주파 유도로의 대용량 단상 부하에 3상 전원으로 전력을 공급할 경우 3상 불평형이 되기 때문에
3 상평형을 위한 무효전력 제어용으로 사용하고(상평형 콘덴서)
두 번째는 매우 나쁜 유도로 역률 개선을 위한 부하 역률 개선용으로 사용한다.
5). 수랭식 콘덴서
발열이 심한 고주파 유도가열로 역률 개선용으로 사용한다.
발열이 큰 부하 특성으로 인해 강제 냉각이 필요한데 물(水)을 냉각 매개체로 해 콘덴서의 온도상승을
억제시킨다.
(공랭식에 비해 냉각 효과가 뛰어나다)
6). 충 방전용 콘덴서
각종 시험용 전원장치(IVG, ICG, Mark Generator, L-C 공진회로용 전원장치, 소규모 융합 연구용 전원),
그리고 펄스 파워용 전원장치(첨단 의료기기, 암반 파괴, 펄스레이저)등에 사용한다.
삼화엔지니어링 | 고조파필터, 무효전력제어, 콘덴서, 전문기업
능동형 고조파필터, SVC(무효전력 보상장치), SVG(무효전력 공급장치), 자동역률제어, 전력용콘덴서, 직렬리액터, 분로리액터.관련 정보제공
samwhaeng.kr
*.첨부 ; 전기 공급 규정 & 43조 요약.
'전력용 콘덴서' 카테고리의 다른 글
콘덴서 뱅크 보호방식 (0) | 2024.02.05 |
---|---|
콘덴서의 직, 병렬 회로 계산 (1) | 2024.01.29 |
자동 역률 조정 콘덴서 뱅크 (1) | 2024.01.22 |
대형 모터 운전 시 발생한 전압강하 크기는? (1) | 2024.01.15 |
6.6kV 3P 60Hz 고압전력용 콘덴서뱅크의 모의, 설계, 제작? (0) | 2024.01.08 |