■. 전압 차동보호 방식?
콘덴서 전압 차동 보호 방식은 주로 특별 고압 라인의 대용량 콘덴서 뱅크에 적용한다.
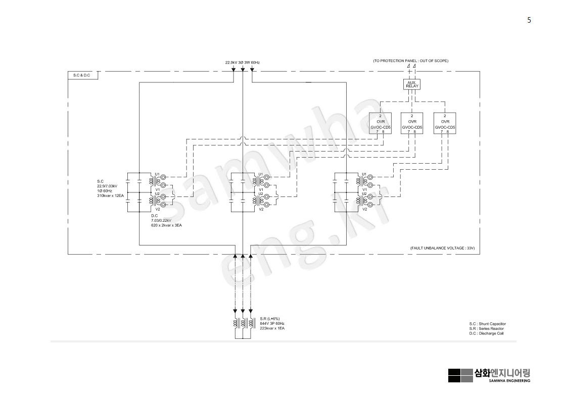
콘덴서 구성은 비접지 Y 결선으로 여기 상별 콘덴서에 방전 코일을 병렬로 설치한다.
회로 구성상 선간 전압 불평형에는 작동하지 않아 불평형 오작동 사고가 없고 콘덴서 고장에만 작동하므로
신뢰도가 높다.
또한 과전류 보호 방식(OC R)에 비해 계전기 작동이 신속 정확해 2차 확대 사고 예방에도 큰 도움이 된다.
작동 방식은?
상당 병렬 군의 콘덴서를 2-Series로 설치하고
설치된 단기 콘덴서의 내부 소자 고장 시 용량성 리액턴스 변화에 따른 직렬군의 콘덴서간 전압 차를 감지해
전압계전기를 작동시키는 방식이다.
이는 선간 전압이 아닌 상전압 차를 감지하는 방식이기에 3개의 계전기가 설치돼야 한다.
이하에 회로도 및 차 전압 계산 방식을 알기 쉽게 설명한다.
공부 및 회로도 이해에 도움 되길...
삼화엔지니어링 | 고조파필터, 무효전력제어, 콘덴서, 전문기업
능동형 고조파필터, SVC(무효전력 보상장치), SVG(무효전력 공급장치), 자동역률제어, 전력용콘덴서, 직렬리액터, 분로리액터.관련 정보제공
samwhaeng.kr
'전력용 콘덴서' 카테고리의 다른 글
콘덴서 뱅크 보호 방식 오픈델타. (0) | 2024.02.27 |
---|---|
1선 지락 고장 (0) | 2024.02.19 |
콘덴서의 직, 병렬 회로 계산 (1) | 2024.01.29 |
전력용 콘덴서 (Power Capacitor). (1) | 2024.01.28 |
자동 역률 조정 콘덴서 뱅크 (1) | 2024.01.22 |