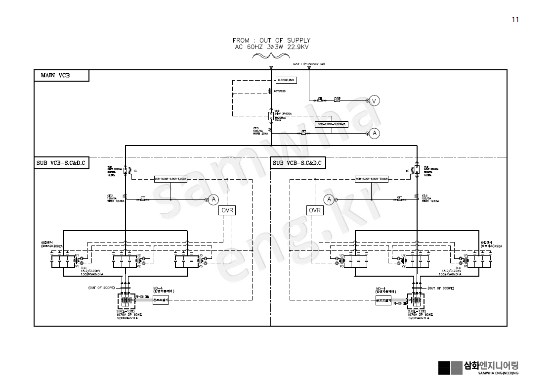
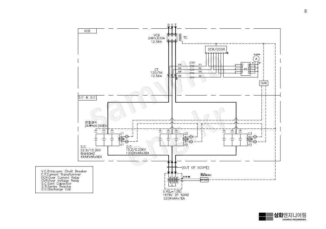
■. 오픈 델타 보호 방식
콘덴서 뱅크 보호 방식 중 오픈 델타 보호 방식은 주로 특별 고압 라인의 소, 중 용량 콘덴서 뱅크에 적용한다.
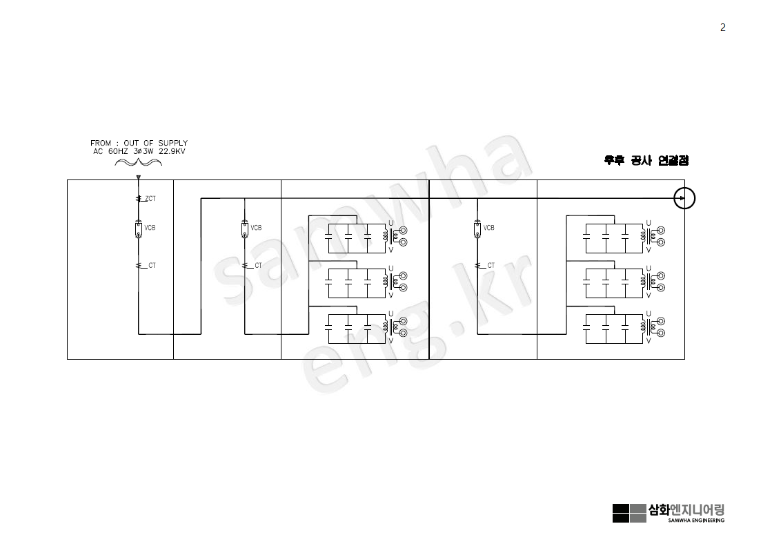
콘덴서 구성은 비접지 Y 결선으로 여기 상별 콘덴서에 방전 코일을 병렬로 설치하는 것으로 반드시 방전 코일
2차는 오픈 델타로 결선해야 한다.
구성상 계통전압 불 평형에는 작동하지 않아 불 평형 오작동 사고가 없고 콘덴서 고장에만 작동하므로 신뢰도가
높다.
또한 과전류 보호 방식(OC R)에 비해 계전기 작동이 신속 정확해 2차 확대 사고 예방에도 큰 도움이 된다.
작동 방식은?
Y 결선 병렬 군 어느 한 상의 콘덴서 고장 시 임피던스 변화에 의거 방전 코일 오픈 델타 2차 회로에 불 평형 전압이
나타나게 된다.
이를 전압계전기가 검출 콘덴서용 차단기를 작동시키는 방식이다.
이는 전압 차동보호 방식과 달리 1개의 전압 계전기만 필요하고
반드시 살펴야 할 것은 방전 코일 2차 결선이 전압계전기 기준으로 반드시 오픈 델타가 돼야 한다.
이하에 참고하라 뱅크 및 회로도를 첨부한다.
삼화엔지니어링 | 고조파필터, 무효전력제어, 콘덴서, 전문기업
능동형 고조파필터, SVC(무효전력 보상장치), SVG(무효전력 공급장치), 자동역률제어, 전력용콘덴서, 직렬리액터, 분로리액터.관련 정보제공
samwhaeng.kr
'전력용 콘덴서' 카테고리의 다른 글
고압(6.6kV or 3.3kV) 회로의 콘덴서 뱅크보호 방식. (0) | 2024.04.15 |
---|---|
비접지 방식의 1선지락사고. (0) | 2024.04.02 |
1선 지락 고장 (0) | 2024.02.19 |
콘덴서 뱅크 보호방식 (0) | 2024.02.05 |
콘덴서의 직, 병렬 회로 계산 (1) | 2024.01.29 |