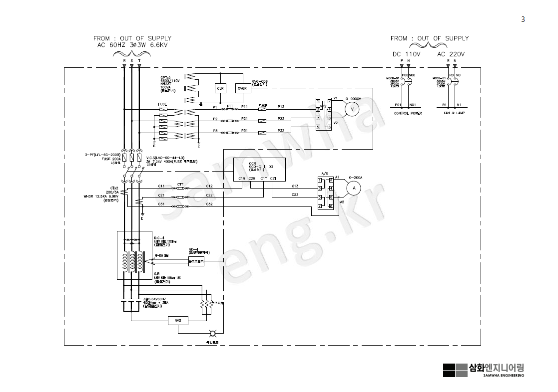
■. 중성점 전압검출 N V S(Neutral Voltag Sensor) 보호 방식.
6.6kV or 3,3kV 고압 회로의 콘덴서 보호 방식 중 신뢰성이 가장 우수한 방식이 된다.
콘덴서와 콘덴서 또는 콘덴서와 저항기를 사용 두 중성점 간의 전위차를 검출하는 방식으로 비접지 Y-Y 결선의 콘덴서 뱅크에 적용한다.
이는 O C R or O V R 방식에 비해 리스폰스 타임이(Response time) 빠르고 정확해 차단기 동작을 신속히 처리하므로 2차 확대사고를 미연에 예방한다.
N C S 방식과 함께 가장 많이 사용되고 있는 보호 System이다.
- 장점.
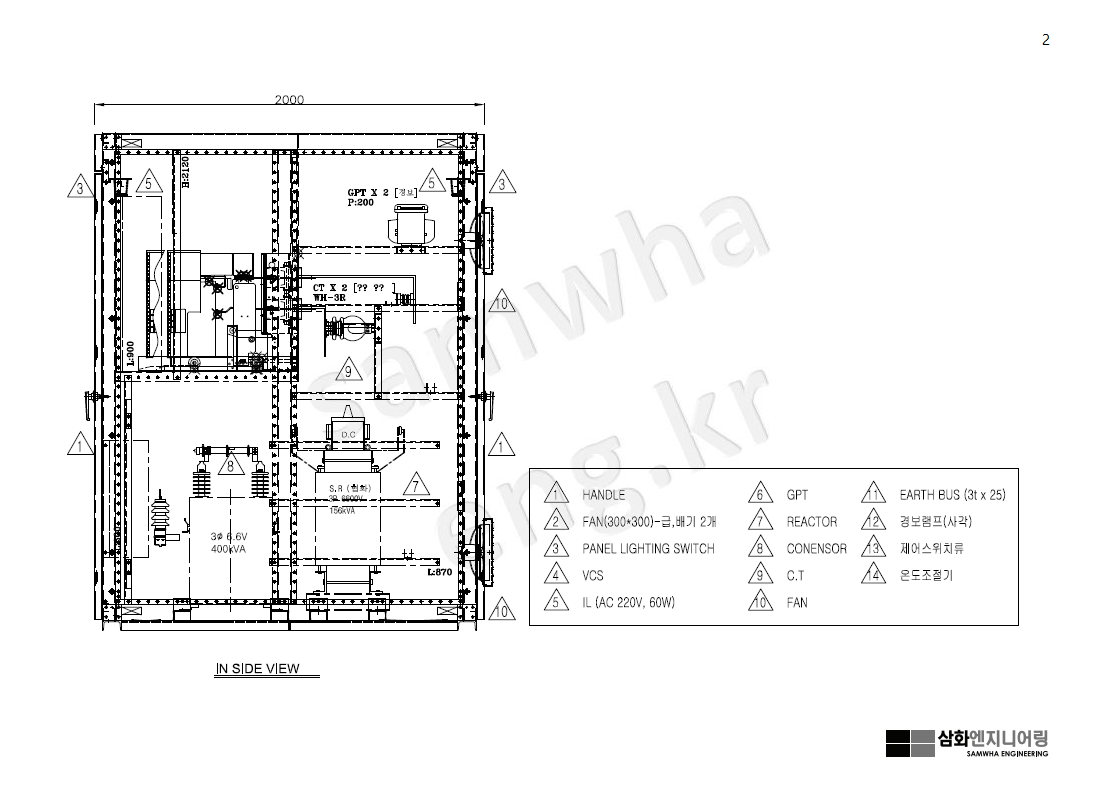
옥내, 옥외 모두 사용이 가능하다.
콘덴서 고장 시 중성점에 나타나는 불 평형 전압에 의해 N V S가 동작하므로 별도의 조작 전원이 필요 없다.
무엇보다 계전기 동작이 신속 정확해 2차 확대사고를 예방하므로 회로의 신뢰성을 높이게 된다.
전압 검출 방식이므로 돌입전류나 고조파 전류의 영향을 받지 않게 된다.
고압 회로 중 신뢰성이 가장 우수한 방식이다.
N C S(3P 콘덴서) 방식 대비 콘덴서 교체 비용을 줄일 수 있다.
- 단점.
N V S 검출기 최소 동작 전압의 한계로 6.6kV & 3.3kV 외 적용이 어렵다.
N V S를 별도 구매해야 하므로(검출기+저항기) 투자비가 상승한다.
삼화엔지니어링 | 고조파필터, 무효전력제어, 콘덴서, 전문기업
능동형 고조파필터, SVC(무효전력 보상장치), SVG(무효전력 공급장치), 자동역률제어, 전력용콘덴서, 직렬리액터, 분로리액터.관련 정보제공
samwhaeng.kr
'전력용 콘덴서' 카테고리의 다른 글
3상 단락전류 & 단락용량 계산. (0) | 2024.04.29 |
---|---|
고압 및 특별고압 그리고 중 저압 전력용 커패시터 절연유 시험성적서. (0) | 2024.04.20 |
비접지 방식의 1선지락사고. (0) | 2024.04.02 |
콘덴서 뱅크 보호 방식 오픈델타. (0) | 2024.02.27 |
1선 지락 고장 (0) | 2024.02.19 |